Цена под запрос
HH-3 AB, скрытая петля, цвет - античная бронза
0 Руб
Без НДС: 0 Руб
- Цвет: бронза античная
| Коллекция | INNOVATION |
| Материал | ЦАМ |
| Наличие | временно отсутствует |
| Тип врезки | под фрезер/станок |
| Тип петли | скрытые 3D |
| Цвет | бронза античная |
Итальянские скрытые петли HH-3 устанавливаются на межкомнатные двери жилых помещений, предполагающих среднюю проходимость. Подходят на двери весом до 40 кг (допустимая нагрузка на две петли). Использование третьей петли на полотне позволяет увеличить допустимый вес на 5-7 кг.
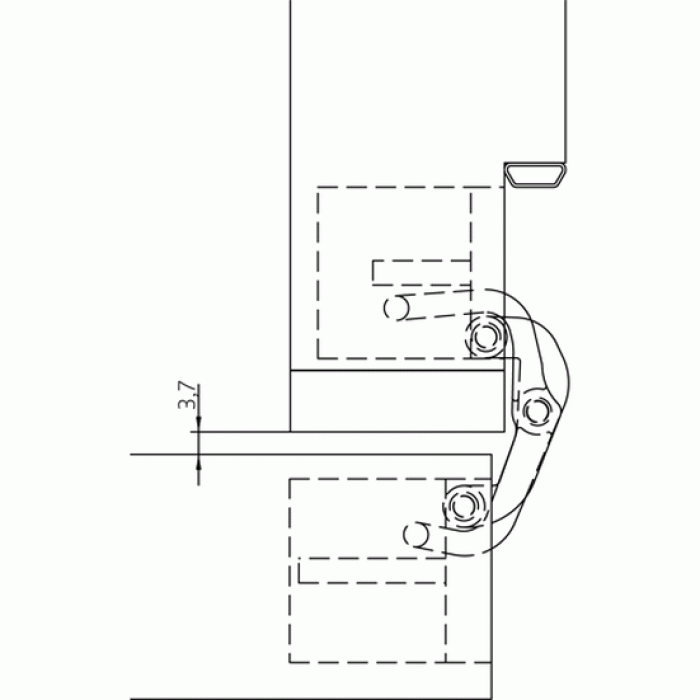
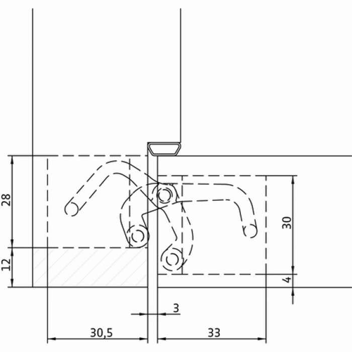
-Для смещенной в плоскости передней части коробки двери
-Смещение плоскости дверной коробки до 12,0 мм
-Толщина полотна 38 мм
-Полностью скрытая система петель
-Для деревянных и алюминиевых дверных коробок
-Для нефальцованных межкомнатных дверей
-3D регулировка (по гор. +/- 1,5 мм, по высоте +/- 2,5 мм, прижим +/- 1,0 мм)
-Фрезеровка по центру
-Материал: цинковый сплав / полимер
Замер дверных проёмов
Замер - наиболее важный этап работы при подборе и покупке дверных конструкций.Наш технический менеджер выезжая на замер обладает знаниями ассортимента(более 3000 тов.),их технических характеристик,специфики эксплуатации конкретной двери в данном помещении.Подскажет на этапе черновых работ необходимые параметры проемов.Проведет консультацию,даст необходимые советы.Составит карту замера.Оформит договор и выдаст полный пакет документов.Для Вашего удобства наш технический менеджер принимает оплату по договору на месте.При оформлении заказа замер-Бесплатно.В случае переноса или отказа от оформления договора по месту,оплата замера составляет от 500 до 1000 р.
Доставка дверей
Доставка дверей - наша служба доставки за ранее согласует время подвоза конструкций.При необходимости организует подъем изделий на этаж с заносом в помещение.Стоимость услуги уточняйте в офисе продаж по тел.89023960709.
Установка дверей
Установка дверей - Установка входных или межкомнатных дверей выполняется только опытными специалистами,гарантируя качество монтажа.








