Продажа, доставка и монтаж всех типов входных и межкомнатных дверей с гарантией.
Ваша корзина пуста!
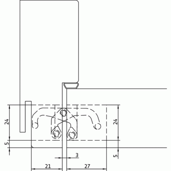
Итальянские скрытые петли HH-4 устанавливаются на межкомнатные двери жилых помещений, предполагающих среднюю проходимость. Подходят на двери весом до 40 кг (допустимая нагрузка на две петли). Использование третьей петли на полотне позволяет увеличить допустимый вес на 5-7 кг.
-Минимальная фрезеровка в коробке 21 мм
-Полностью скрытая система петель
-Для деревянных и алюминиевых дверных коробок
-Для нефальцованных межкомнатных дверей
-3D регулировка (по гор. +/- 1,5 мм, по высоте +/- 2,5 мм, прижим +/- 1,0 мм)
-Материал: цинковый сплав / полимер






