Цена под запрос
HH-6 SC, скрытая петля, цвет - мат.хром
0 Руб
Без НДС: 0 Руб
- Цвет: хром матовый
| Коллекция | INNOVATION |
| Материал | ЦАМ |
| Наличие | меньше 50 |
| Тип врезки | под фрезер/станок |
| Тип петли | скрытые 3D |
| Цвет | хром матовый |
Итальянские скрытые петли HH-6 устанавливаются на межкомнатные двери жилых помещений, предполагающих среднюю проходимость.
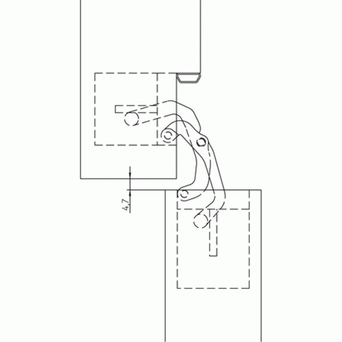
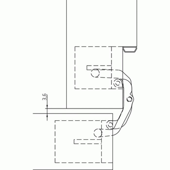
-Для смещенной в плоскости передней части коробки двери
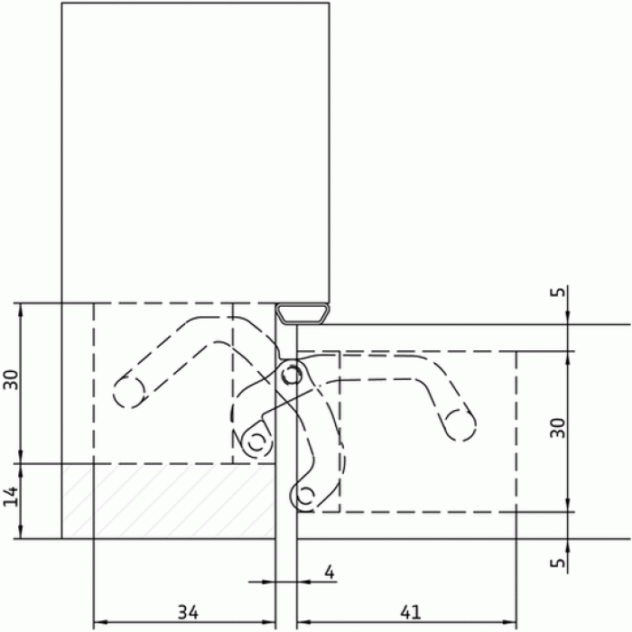
-Смещение плоскости дверной коробки до 14,0 мм
-Толщина полотна 40 мм
-Полностью скрытая система петель
-Для деревянных и алюминиевых дверных коробок
-Для нефальцованных межкомнатных дверей
-3D регулировка (по гор. +/- 1,5 мм, по высоте +/- 2,5 мм, прижим +/- 1,0 мм)
-Фрезеровка по центру
-Материал: цинковый сплав / полимер
-Допустимая нагрузка: до 40 кг (на две петли). Использование третьей петли на полотне позволяет увеличить допустимый вес на 5-7 кг.
Замер дверных проёмов
Замер - наиболее важный этап работы при подборе и покупке дверных конструкций.Наш технический менеджер выезжая на замер обладает знаниями ассортимента(более 3000 тов.),их технических характеристик,специфики эксплуатации конкретной двери в данном помещении.Подскажет на этапе черновых работ необходимые параметры проемов.Проведет консультацию,даст необходимые советы.Составит карту замера.Оформит договор и выдаст полный пакет документов.Для Вашего удобства наш технический менеджер принимает оплату по договору на месте.При оформлении заказа замер-Бесплатно.В случае переноса или отказа от оформления договора по месту,оплата замера составляет от 500 до 1000 р.
Доставка дверей
Доставка дверей - наша служба доставки за ранее согласует время подвоза конструкций.При необходимости организует подъем изделий на этаж с заносом в помещение.Стоимость услуги уточняйте в офисе продаж по тел.89023960709.
Установка дверей
Установка дверей - Установка входных или межкомнатных дверей выполняется только опытными специалистами,гарантируя качество монтажа.





